产品描述
详细介绍

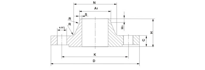
PN10带颈对焊钢方形不锈钢法兰(mm)
公称尺寸DN | 钢管外径 法兰焊端外径A1 | 连接尺寸 | 法兰厚度C | 法兰颈 | 坡口宽度b | |||||||||
A | B | 法兰外径D | 螺栓孔中心圆直径L | 曙栓孔直径L | 螺栓孔数量n(个) | 螺栓Th | N | S ≧ | H1 ≈ | R | ||||
A | B | |||||||||||||
10 | 17.2 | 14 | 90 | 60 | 14 | 4 | M12 | 16 | 28 | 28 | 1.8 | 6 | 4 | 35 |
15 | 21.3 | 18 | 95 | 65 | 14 | 4 | M12 | 16 | 32 | 32 | 2.0 | 6 | 4 | 38 |
20 | 26.9 | 25 | 105 | 75 | 14 | 4 | M12 | 18 | 40 | 40 | 2.3 | 6 | 4 | 40 |
25 | 33.7 | 32 | 115 | 85 | 14 | 4 | M12 | 18 | 46 | 46 | 2.6 | 6 | 4 | 40 |
32 | 42.4 | 38 | 140 | 100 | 18 | 4 | M16 | 18 | 56 | 56 | 2.6 | 6 | 6 | 42 |
40 | 48.3 | 45 | 150 | 110 | 18 | 4 | M16 | 18 | 64 | 64 | 2.6 | 7 | 6 | 45 |
50 | 60.3 | 57 | 165 | 125 | 18 | 4 | M16 | 18 | 74 | 74 | 2.9 | 8 | 5 | 45 |
65 | 76.1 | 76 | 185 | 145 | 18 | 8 | M16 | 18 | 92 | 92 | 2.9 | 10 | 6 | 45 |
80 | 88.9 | 89 | 200 | 160 | 18 | 8 | M16 | 20 | 105 | 105 | 3.2 | 10 | 6 | 50 |
100 | 114.3 | 108 | 220 | 180 | 18 | 8 | M16 | 20 | 131 | 131 | 3.6 | 12 | 8 | 52 |
125 | 139.7 | 133 | 250 | 210 | 18 | 8 | M16 | 22 | 156 | 156 | 4 | 12 | 8 | 55 |
150 | 168.3 | 159 | 285 | 240 | 22 | 8 | M20 | 22 | 184 | 184 | 4.5 | 12 | 10 | 55 |
200 | 219.1 | 219 | 340 | 295 | 22 | 8 | M20 | 24 | 234 | 234 | 6.3 | 16 | 10 | 62 |
250 | 273 | 273 | 395 | 350 | 22 | 12 | M20 | 26 | 292 | 292 | 6.3 | 16 | 12 | 68 |
300 | 323.9 | 325 | 445 | 400 | 22 | 12 | M20 | 26 | 342 | 342 | 7.1 | 16 | 12 | 68 |
350 | 355.6 | 377 | 505 | 460 | 22 | 16 | M20 | 26 | 385 | 402 | 7.1 | 16 | 12 | 68 |
400 | 406.4 | 426 | 565 | 515 | 26 | 16 | M24 | 26 | 440 | 458 | 7.1 | 16 | 12 | 72 |
450 | 457 | 480 | 615 | 565 | 26 | 20 | M24 | 28 | 488 | 510 | 7.1 | 16 | 12 | 72 |
500 | 508 | 530 | 670 | 620 | 26 | 20 | M24 | 28 | 542 | 562 | 7.1 | 16 | 12 | 75 |
600 | 610 | 630 | 780 | 725 | 30 | 20 | M27 | 28 | 642 | 660 | 7.1 | 18 | 12 | 80 |
700 | 711 | 720 | 895 | 840 | 30 | 24 | M27 | 30 | 746 | 755 | 8 | 18 | 12 | 80 |
800 | 813 | 820 | 1015 | 950 | 33 | 24 | M30 | 32 | 850 | 855 | 8 | 18 | 12 | 90 |
900 | 914 | 920 | 1115 | 1050 | 33 | 28 | M30 | 34 | 950 | 954 | 10 | 20 | 12 | 95 |
1000 | 1016 | 1020 | 1230 | 1160 | 36 | 28 | M33 | 34 | 1052 | 1054 | 10 | 20 | 16 | 95 |
1200 | 1219 | 1220 | 1455 | 1380 | 39 | 32 | M36×3 | 38 | 1256 | 1256 | 11 | 25 | 16 | 115 |
1400 | 1422 | 1420 | 1675 | 1590 | 42 | 36 | M39×3 | 42 | 1460 | 1460 | 12 | 25 | 16 | 120 |
1600 | 1626 | 1620 | 1915 | 1820 | 48 | 40 | M45×3 | 46 | 1666 | 1666 | 14 | 25 | 16 | 130 |
1800 | 1829 | 1820 | 2115 | 2020 | 48 | 44 | M45×3 | 50 | 1868 | 1866 | 15 | 30
| 16 | 140 |
2000 | 2032 | 2020 | 2325 | 2230 | 48 | 48 | M45×3 | 54 | 2072 | 2070 | 16 | 30
| 16 | 150 |
PN16带颈对焊钢方形不锈钢法兰(mm)
公称尺寸DN | 钢管外径 法兰焊端外径A1 | 连接尺寸 | 法兰厚度C | 法兰颈 | 坡口宽度b | |||||||||
A | B | 法兰外径D | 螺栓孔中心圆直径L | 曙栓孔直径L | 螺栓孔数量n(个) | 螺栓Th | N | S ≧ | H1 ≈ | R | ||||
A | B | |||||||||||||
10 | 17.2 | 14 | 90 | 60 | 14 | 4 | M12 | 16 | 28 | 28 | 1.8 | 6 | 4 | 35 |
15 | 21.3 | 18 | 95 | 65 | 14 | 4 | M12 | 16 | 32 | 32 | 2.0 | 6 | 4 | 38 |
20 | 26.9 | 25 | 105 | 75 | 14 | 4 | M12 | 18 | 40 | 40 | 2.3 | 6 | 4 | 40 |
25 | 33.7 | 32 | 115 | 85 | 14 | 4 | M12 | 18 | 46 | 46 | 2.6 | 6 | 4 | 40 |
32 | 42.4 | 38 | 140 | 100 | 18 | 4 | M16 | 18 | 56 | 56 | 2.6 | 6 | 6 | 42 |
40 | 48.3 | 45 | 150 | 110 | 18 | 4 | M16 | 18 | 64 | 64 | 2.6 | 7 | 6 | 45 |
50 | 60.3 | 57 | 165 | 125 | 18 | 4 | M16 | 18 | 74 | 74 | 2.9 | 8 | 5 | 45 |
65 | 76.1 | 76 | 185 | 145 | 18 | 8 | M16 | 18 | 92 | 92 | 2.9 | 10 | 6 | 45 |
80 | 88.9 | 89 | 200 | 160 | 18 | 8 | M16 | 20 | 105 | 105 | 3.2 | 10 | 6 | 50 |
100 | 114.3 | 108 | 220 | 180 | 18 | 8 | M16 | 20 | 131 | 131 | 3.6 | 12 | 8 | 52 |
125 | 139.7 | 133 | 250 | 210 | 18 | 8 | M16 | 22 | 156 | 156 | 4.0 | 12 | 8 | 55 |
150 | 168.3 | 159 | 285 | 240 | 22 | 8 | M20 | 22 | 184 | 184 | 4.5 | 12 | 10 | 55 |
200 | 219.1 | 219 | 340 | 295 | 22 | 12 | M20 | 24 | 235 | 235 | 6.3 | 16 | 10 | 62 |
250 | 273 | 273 | 405 | 350 | 26 | 12 | M24 | 26 | 292 | 392 | 6.3 | 16 | 12 | 70 |
300 | 323.9 | 325 | 460 | 400 | 26 | 12 | M24 | 28 | 344 | 344 | 7.1 | 16 | 12 | 78 |
350 | 355.6 | 377 | 520 | 460 | 26 | 16 | M24 | 30 | 390 | 410 | 8.0 | 16 | 12 | 82 |
400 | 406.4 | 426 | 580 | 515 | 30 | 16 | M27 | 32 | 445 | 464 | 8.0 | 16 | 12 | 85 |
450 | 457 | 480 | 640 | 565 | 33 | 20 | M27 | 40 | 490 | 512 | 8.0 | 16 | 12 | 87 |
500 | 508 | 530 | 715 | 620 | 36 | 20 | M30 | 44 | 548 | 578 | 8.0 | 16 | 12 | 90 |
600 | 610 | 630 | 840 | 725 | 36 | 20 | M33 | 54 | 652 | 670 | 8.8 | 18 | 12 | 95 |
700 | 711 | 720 | 910 | 840 | 39 | 24 | M33 | 36 | 755 | 759 | 8.8 | 18 | 12 | 100 |
800 | 813 | 820 | 1025 | 950 | 39 | 24 | M36×3 | 38 | 855 | 855 | 10.0 | 20 | 12 | 105 |
900 | 914 | 920 | 1125 | 1050 | 42 | 28 | M36×3 | 40 | 955 | 954 | 10.0 | 20 | 12 | 110 |
1000 | 1016 | 1020 | 1255 | 1160 | 48 | 28 | M39×3 | 42 | 1058 | 1060 | 10.0 | 22 | 16 | 120 |
1200 | 1219 | 1220 | 1485 | 1380 | 48 | 32 | M45×3 | 48 | 1262 | 1260 | 12.5 | 30 | 16 | 130 |
1400 | 1422 | 1420 | 1685 | 1590 | 55 | 36 | M45×3 | 52 | 1465 | 1465 | 14.2 | 30 | 16 | 145 |
1600 | 1626 | 1620 | 1930 | 1820 | 55 | 40 | M52×4 | 58 | 1668 | 1668 | 16 | 35 | 16 | 160 |
1800 | 1829 | 1820 | 2130 | 2020 | 55 | 44 | M52×4 | 62 | 1870 | 1870 | 17.5 | 35 | 16 | 170 |
2000 | 2032 | 2020 | 2345 | 2230 | 60 | 48 | M56×4 | 66 | 2072 | 2072 | 20 | 40 | 16 | 180 |
PN25带颈对焊钢方形不锈钢法兰(mm)
公称尺寸DN | 钢管外径 法兰焊端外径A1 | 连接尺寸 | 法兰厚度C | 法兰颈 | 坡口宽度b | |||||||||
A | B | 法兰外径D | 螺栓孔中心圆直径L | 曙栓孔直径L | 螺栓孔数量n(个) | 螺栓Th | N | S ≧ | H1 ≈ | R | ||||
A | B | |||||||||||||
10 | 17.2 | 14 | 90 | 60 | 14 | 4 | M12 | 16 | 28 | 28 | 1.8 | 6 | 4 | 35 |
15 | 21.3 | 18 | 95 | 65 | 14 | 4 | M12 | 16 | 32 | 32 | 2.0 | 6 | 4 | 38 |
20 | 26.9 | 25 | 105 | 75 | 14 | 4 | M12 | 18 | 40 | 40 | 2.3 | 6 | 4 | 40 |
25 | 33.7 | 32 | 115 | 85 | 14 | 4 | M12 | 18 | 46 | 46 | 2.6 | 6 | 4 | 40 |
32 | 42.4 | 38 | 140 | 100 | 18 | 4 | M16 | 18 | 56 | 56 | 2.6 | 6 | 6 | 42 |
40 | 48.3 | 45 | 150 | 110 | 18 | 4 | M16 | 18 | 64 | 64 | 2.6 | 7 | 6 | 45 |
50 | 60.3 | 57 | 165 | 125 | 18 | 4 | M16 | 20 | 75 | 75 | 2.9 | 8 | 6 | 48 |
65 | 76.1 | 76 | 185 | 145 | 18 | 8 | M16 | 22 | 90 | 90 | 2.9 | 10 | 6 | 52 |